深圳市天工机械制造技术开发有限公司
English
|
网站信箱
|
注册
登陆
首 页
|
公司简介
|
产品中心
|
技术资料
|
资料下载
|
人才招聘
|
企业新闻
|
联系我们
|
首页
> 产品中心 >>传 感 器 >> 光电开关 >> 小槽型光电开关GU06系列
产品导航
传 感 器
光纤传感器
标签传感器
光电开关
安全光幕
电容传感器
安全门开关
激光位移传感器
管道液位传感器
接近开关
颜色传感器
数显压力表
接触传感器
框型光电传感器
机器视觉系统
超声波传感器
模拟量传感器
消费类电子产品
数字式胎压计
人体红外线感应模块
控制器
简单控制器
串口控制器
自动化设备
检测测量设备
友情链接——志宇传感科技
公司简介
高精度激光位移传感器
产品详情
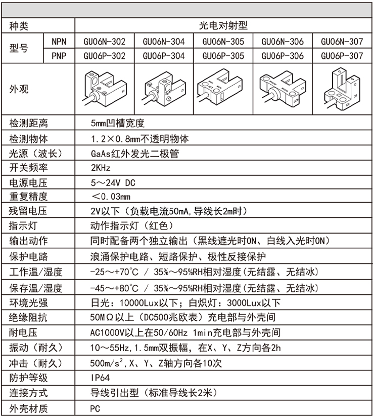
小槽型光电开关GU06系列
资料下载
GU06 说明书.pdf
GU06 3D图.zip